Pacific Wrecks
Pacific Wrecks    
  Missing In Action (MIA) Prisoners Of War (POW) Unexploded Ordnance (UXO)  
Chronology Locations Aircraft Ships Submit Info How You Can Help Donate

PacificWrecks.com
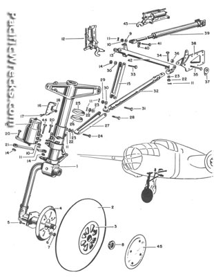
B-25 Mitchell Nose Landing Gear
Credit: B-25 Erection & Maitence Manual  Date:
Drawing  

High Resolution Version
Acquire This Image
|
   

Contribute Information
Do you have photos or additional information?

Make A Donation | Previous Page | Pacific Wrecks

  Discussion Forum Daily Updates Reviews Museums Interviews & Oral Histories  
 
Pacific Wrecks Inc. All rights reserved.
Donate Now Facebook Twitter YouTube Instagram